三维股份:920834
服务热线:400-995-0090
国际站
首页
关于九游会·J9
产品中心
斗式提升机九游会·J9配件
塑料畚斗
钢畚斗
PVC整芯提升带
橡胶提升带
聚氨酯整芯提升带
耐油阻燃橡胶提升带
滚筒包胶插片
螺钉及皮带连接器
平带
皮带输送机九游会·J9配件
橡胶输送带
落料口缓冲条
滚筒包胶插片
刮板输送机九游会·J9配件
工程塑料
筛用清洗九游会·J9配件
螺旋叶片
新闻中心
问题解答
联系九游会·J9
投资者关系
官网首页
/
产品中心
/
刮板输送机九游会·J9配件
/
正文
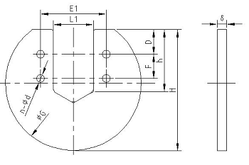
圆板链刮板
圆板链刮板输送机九游会·J9配件
备注:可供应上述管链刮板机刮板及配套链条、链轮。