塑料刮板

材质:高密度聚乙烯、尼龙、超高分子量聚乙烯、聚氨酯

性能特点:

1、  塑料(高密度聚乙烯)刮板为经济实用方案。

2、尼龙刮板耐磨性能较好,使用寿命较长。

3、超高分子量聚乙烯板材摩擦系数低,耐磨性能好,性价比高。

4、聚氨酯材质耐磨性能佳,成本较高。

     


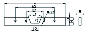
塑料埋刮板(BF)规格表


尼龙埋刮板(BF)规格表


  
超高分子量聚乙烯埋刮板(BF)规格表


  
U型刮板(BR)规格表 


U型尼龙埋刮板(BR)规格表